Potenciálny transformátor PT
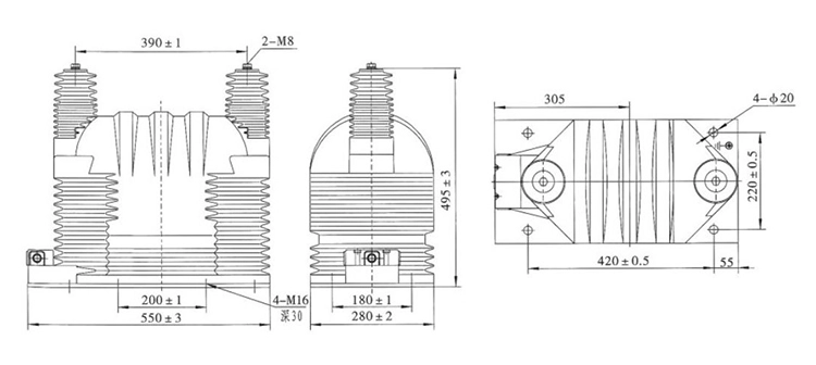
33kv vysokonapäťový jednofázový potenciálový transformátor
  • 33kv vysokonapäťový jednofázový potenciálový transformátor33kv vysokonapäťový jednofázový potenciálový transformátor

33kv vysokonapäťový jednofázový potenciálový transformátor

Wenzhou XiFa Electric Power Equipment Co., Ltd je skúsený výrobca na výrobu 33kv vysokonapäťového jednofázového potenciálového transformátora a prúdového transformátora. Wenzhou XiFa používa vysokokvalitnú živicu na dosiahnutie lepšieho výkonu na izolácii, ako je dlhodobá prevádzka pod vysokým napätím bez poruchy alebo čiastočného vybitia. Každý 33kv vysokonapäťový jednofázový potenciálový transformátor je potrebný na odlievanie epoxidovej živice vo vákuu, aby sa dosiahla dlhšia životnosť na 20 alebo 30 rokov. Pred dodaním je potrebné zmerať základné technické špecifikácie, ako sú výdržné napätie výkonovej frekvencie, čiastočný výboj, izolačný odpor, presnosť, polarita a nárast teploty.

Vlastnosti produktu:

1. Štrukturálne možno 33kv vysokonapäťový jednofázový potenciálový transformátor považovať za transformátor s nízkou kapacitou a vysokým pomerom. Na rozdiel od výkonového transformátora však  apotenciálny transformátorneprenáša energiu na napájanie záťaže. Namiesto toho hrá dôležitú úlohu pri meraní a ochrane.

2. Sekundárny obvod je napojený na meracie prístroje, ochranné relé a automaty, ktorých napäťové cievky majú extrémne vysokú a v podstate konštantnú impedanciu. Výsledkom je, že sekundárny prúd je minimálny, podobne ako stav bez zaťaženia výkonového transformátora. Spotreba energie 33kv vysokonapäťového jednofázového potenciálového transformátora je extrémne nízka a sekundárne napätie zostáva prakticky rovnaké ako indukované EMF, ktoré je určené konštantným primárnym napätím. Zabezpečuje požadovanú úroveň presnosti pre meranie napätia.

3. Sekundárne vinutie potenciálových transformátorov nesmie byť nikdy skratované. Za normálnej prevádzky je záťaž 33kv vysokonapäťového jednofázového potenciálového transformátora vysokoimpedančné zariadenie, ale ak dôjde ku skratu, jediným obmedzujúcim faktorom je impedancia vinutia. To môže viesť k nadmerne vysokému skratovému prúdu, čo spôsobí nesprávne odčítanie údajov z merača, nesprávne fungovanie relé alebo dokonca trvalé poškodenie výkonového transformátora.

4. Svorka sekundárneho vinutia aj vinutia s nulovou sekvenciou musí byť uzemnená. Ak nie je uzemnené, chyba na primárnom systéme by mohla vyvolať nebezpečne vysoké napätie na týchto vinutiach, čo predstavuje vážne riziko pre pripojené prístroje, relé a bezpečnosť personálu.

33kv High Voltage Single Phase Potential Transformer

Technická špecifikácia:

Typ Menovitý pomer napätia (kV) Trieda presnosti Trieda presnosti a menovitý výstup cosΦ=0,8 Max. Výstup (VA)
0.2 0.5 1 3
JDZ9-35Q 35/0,1 0,2 0,5 1 3 30 120 240 600 1200
35/0,1/0,1 0,2/0,2 (0,5) 30 30 N/A N/A 600
0,5/0,5 N/A 60

33kv High Voltage Single Phase Potential Transformer

Časté otázky o produkte:

Otázka: Aké je menovité zaťaženie 33kv vysokonapäťového jednofázového potenciálového transformátora?

Odpoveď: Menovité zaťaženie sa vo všeobecnosti pohybuje od 25 VA do 200 VA v závislosti od aplikácie. Zabezpečuje stabilnú presnosť pre meracie prístroje a ochranné relé bez preťaženia transformátora.


Otázka: Ako je uzemnený 33kv vysokonapäťový jednofázový potenciálový transformátor?

Odpoveď: Sekundárne vinutie je zvyčajne uzemnené v jednom bode, aby sa zachoval referenčný potenciál a zaistila sa bezpečnosť. pomáha predchádzať kolísaniu napätia a znižuje riziko zlyhania izolácie.


Otázka: Môže byť pripojený jednofázový PT na trojfázové meranie?

A: Samozrejme. Pre trojfázový systém môžu byť tri jednofázové PT zapojené do hviezdy alebo otvoreného trojuholníka, čo závisí od toho, či je potrebné monitorovať plné napätie medzi fázami a medzi fázami a zemou alebo nie.




Hot Tags: Dodávateľ vysokonapäťového jednofázového potenciálového transformátora 33kv, veľkoobchodný predaj vysokonapäťových jednofázových transformátorov, výrobca priemyselných transformátorov potenciálu
Odoslať dopyt
Kontaktné informácie

Ak chcete získať cenovú ponuku čo najskôr

XiFa-váš spoľahlivý dodávateľ elektrických zariadení
X
Súbory cookie používame, aby sme vám poskytli lepší zážitok z prehliadania, analyzovali návštevnosť stránok a prispôsobili obsah. Používaním tejto stránky súhlasíte s naším používaním cookies. Zásady ochrany osobných údajov
Odmietnuť Prijať