Prúdový transformátor CT
Elektrický transformátor prúdu Ct zo živice
  • Elektrický transformátor prúdu Ct zo živiceElektrický transformátor prúdu Ct zo živice
  • Elektrický transformátor prúdu Ct zo živiceElektrický transformátor prúdu Ct zo živice

Elektrický transformátor prúdu Ct zo živice

Wenzhou XiFa Electric Power Equipment Co., Ltd je profesionálna výroba na výrobu elektrického transformátora prúdu CT odlievaného živicou, kde sa používa v elektrických rozvádzačoch 10 kv až 35 kv. Vo Wenzhou XiFa produkčný tím odlieva epoxidovú živicu vo vákuovom prostredí, aby odstránil bubliny na strane prúdového transformátora a zabránil čiastočnému výboju na povrchu. Medzitým je elektrický prúdový transformátor ct zo živice navrhnutý ako viacvrstvová izolačná štruktúra na dosiahnutie lepšieho výkonu pri napäťovej odolnosti a dlhodobej stabilite.

Elektrický prúdový transformátor ct zo živice odliaty je vnútorná jednotka z epoxidovej živice, vákuovo odlievaná, stĺpikového typu určená pre napäťové napájacie systémy 10 kv s menovitou frekvenciou 50 Hz. Primárne sa používa na meranie prúdu, meranie energie a ochranné relé.

Prúdový transformátor elektrického prúdu odlievaný živicou využíva úplne uzavretý proces odlievania epoxidovej živice, v ktorom je jadro vyrobené z vysoko kvalitného magnetického materiálu a primárna aj sekundárna cievka spolu s jadrom sú zapustené v živici. Táto konštrukcia poskytuje vynikajúcu izoláciu, odolnosť proti vlhkosti a odolnosť voči znečisteniu. Povrch elektrického prúdového transformátora prúdu odliateho zo živice nevyžaduje žiadny ďalší náter a prúdový transformátor môže byť inštalovaný vo viacerých polohách.

Rozsah pokrýva meracie triedy, ako je 0,2S a 0,5S, a triedy ochrany, ako napríklad 10P10 a 10P20. Viacpomerový dizajn je k dispozícii na elektrickom prúdovom transformátore prúdu odliateho živicou, aby bol vhodný na použitie v elektrických paneloch pokrytých kovom.

Resin Cast Electrical Ct Current TransformerResin Cast Electrical Ct Current Transformer

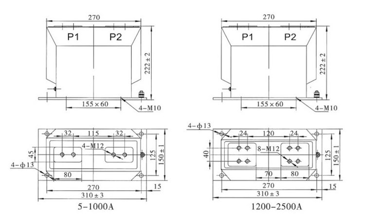
Technická špecifikácia:

Typ Primárny menovitý prúd (A) Trieda presnosti Trieda presnosti a menovitý výkon cosΦ=0,8 Krátkodobý tepelný prúd (kA/S) Menovitý dynamický prúd (kA)
0,2 (s) 0,5 (s) 10P10 10P15 10P20
LZZBJ9-10 5-150 0,2 s/0,5 0,2 s/10 P 0,2/10 P 0,5 s/10 P 0,5/10 P 10 10 15 15 10 100I1n 250I1n
200-300 31.5 80
400-500 45 112
600-1000 63 130
1200-1500 80 160
2000-2500 100 180

Resin Cast Electrical Ct Current Transformer

Časté otázky o produkte:

Otázka: Aké technické parametre by ste mali skontrolovať pri výbere elektrického transformátora prúdu odliateho živicou?

Odpoveď: Pri výbere je potrebné skontrolovať nasledujúce kľúčové parametre:

1. Trieda presnosti: Na meranie/meranie (napr. 0,2 s alebo 0,5) a na účely ochrany (napr. 10P10, 5P10 atď.).

2. Menovitý primárny prúd a sekundárny prúd (transformačný pomer).

3. Krátkodobý tepelný prúd (Ith) a krátkodobá prúdová odolnosť (pre poruchové stavy).

4. Úrovne izolácie (odolné napätiu, impulzné napätie atď.).

5.Tolerancie prostredia: Rozsah teplôt, nadmorská výška, vlhkosť, úroveň znečistenia.

6.Burden: záťaž VA, ktorú musí sekundárna jednotka riadiť bez zníženia presnosti.

Otázka: V akých prostrediach alebo aplikáciách sú elektrické transformátory prúdu ct zo živice zvlášť vhodné?

Odpoveď: Nasledujúce prostredie alebo aplikácia sú vhodné pre elektrický prúdový transformátor ct zo živice:

1. Vnútorný rozvádzač, kde je obmedzený priestor a izolácia je rozhodujúca.

2. V drsnom alebo znečistenom prostredí (prach, vlhkosť, chemikálie), kde by otvorené časti alebo olej mohli degradovať.

3.V meracích a ochranných obvodoch, ktoré vyžadujú stabilné a presné meranie po dlhú dobu.

4.Aplikácie, kde je dôležitá nízka údržba a vysoká spoľahlivosť.

Hot Tags: Dodávateľ prúdového transformátora zo živice, výrobca elektrických transformátorov CT, veľkoobchodný predaj transformátorov CT na zákazku
Odoslať dopyt
Kontaktné informácie

Ak chcete získať cenovú ponuku čo najskôr

XiFa-váš spoľahlivý dodávateľ elektrických zariadení
X
Súbory cookie používame, aby sme vám poskytli lepší zážitok z prehliadania, analyzovali návštevnosť stránok a prispôsobili obsah. Používaním tejto stránky súhlasíte s naším používaním cookies. Zásady ochrany osobných údajov
Odmietnuť Prijať